Колонка приемная КП-400

Обозначение изделия: Колонка приемная тип КП-400, КП-200, КП-150.
Колонка приемная КП предназначена для приема сжатого воздуха от передвижной (штатной) компрессорной станции (УКС-400) и выдачи его на щит управления, щит баллонов, щит редуцирования высокого давления, щит заправочный, в зависимости от схемы.
Климатическое исполнение КП-У2 ГОСТ 15 150 в диапазоне температур окружающего воздуха от -45 С до +40С.
Назначение.
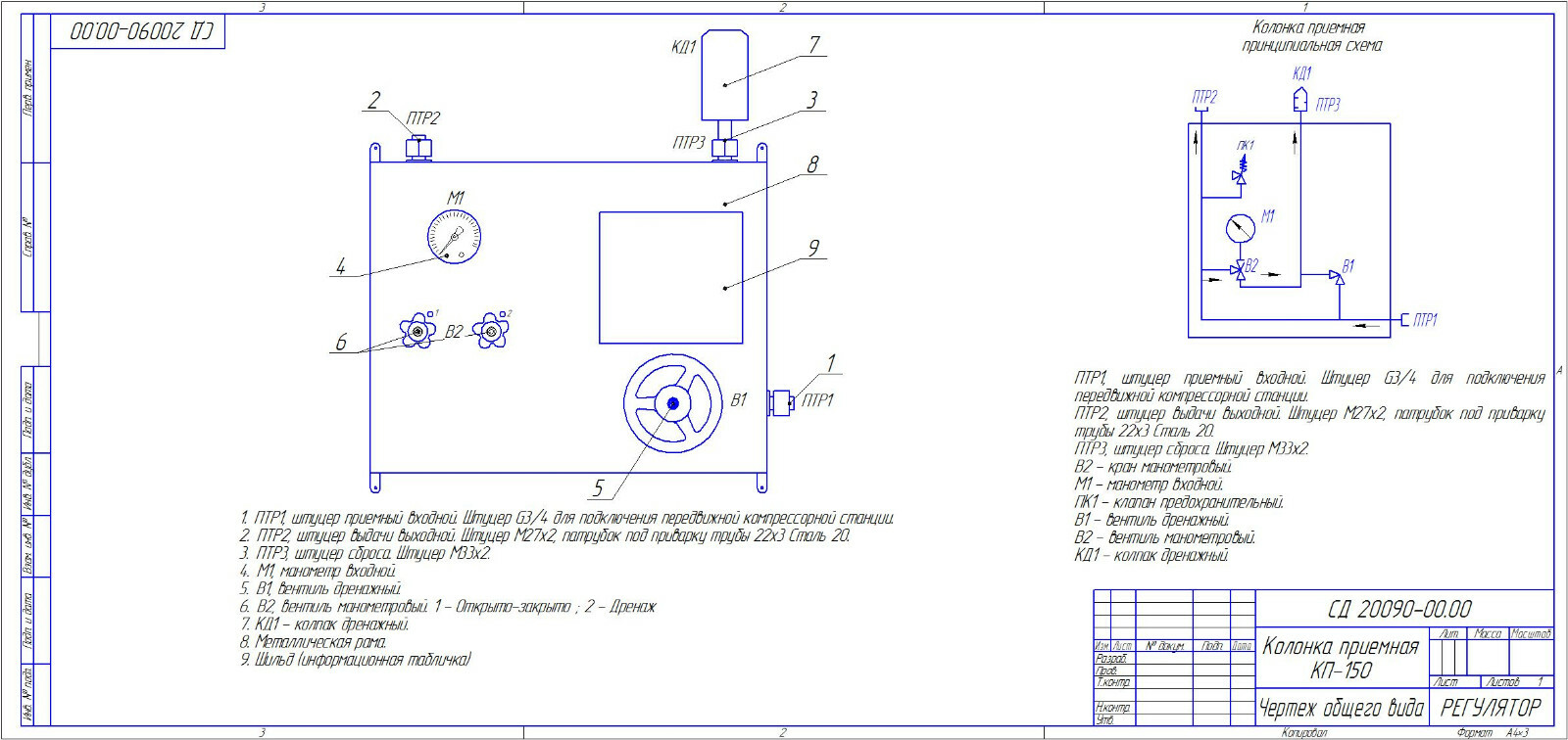
Колонка приемная состоит из металлического каркаса, к которому крепятся штуцер приемный ПТР1 (поз.1), штуцер выдачи ПТР2 (поз.2), штуцер сброса ПТР3 (поз. 3). К передней панели крепится вентиль дренажный В1 (поз.5), предохранительный клапан ПК1, вентиль манометровый В2 (поз.6). На передней панели щита установлен манометр М1 для измерения давления сжатого воздуха на входе в колонку приемную (поз. 4). На верхней части щита установлен колпак дренажный КД1 (поз. 7) для сброса газа. Колонка приемная крепится к стене крепежными элементами с по-мощью 4-х петель на каркасе щита.
Устройство и принцип работы.
Сжатый воздух от компрессорной станции поступает через приемный штуцер ПТР1 (поз.1), при максимальном давлении Рmax.=15 МПа к манометру М1 (поз. 4). Далее сжатый воздух через штуцер ПТР2 (поз.2) поступает в трубопровод. Сброс газа на колпак дренажный (КД-1) осуществляется через вентиль дренажный (поз.5) и штуцер ПТР3 (поз.3). Сброс газа с манометра М1 осуществляется через вентиль манометровый (дренаж), и штуцер ПТР3 (поз.3) и далее на колпак дренажный (КД-1).
Технические характеристики
Обозначение по чертежу
Максимальное входное давление Рвх.макс МПа (кГс/см2)
Максимальное выходное давление Рвых.макс МПа (кГс/см2)
СД 20090-00.00
15 (150)
15 (150)
Давление срабатывания предохранительного клапана ПК1 Рпр. МПа (кгс/см2)
Рабочая среда
Присоединительные размеры штуцера выдачи ПТР2 на выходе из щита, патрубок под приварку трубы 22х3, материал Сталь 20
Присоединительные размеры штуцера приемного ПТР1 на входе в колонку
Присоединительные размеры штуцера сброса ПТРЗ
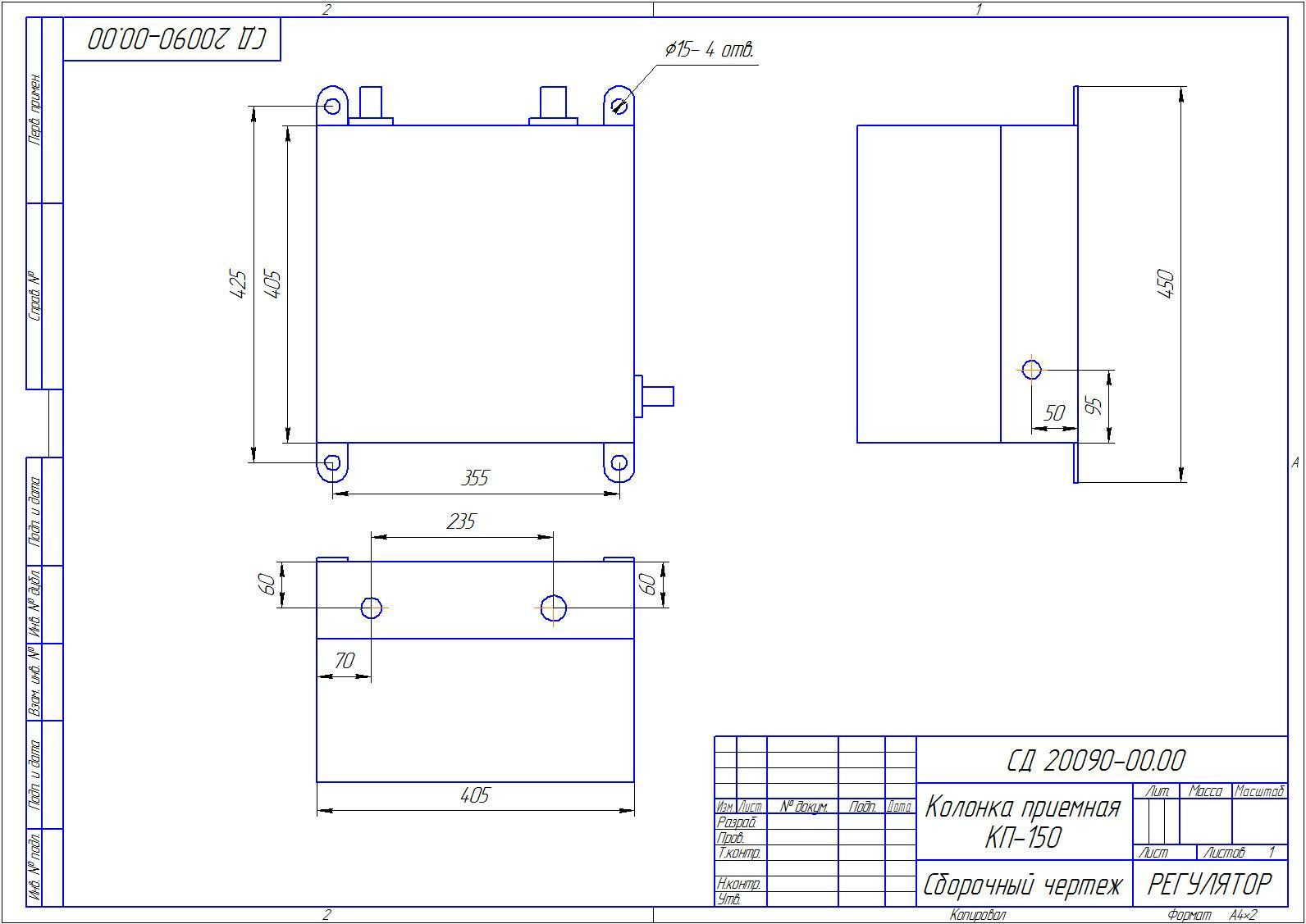
Габаритные размеры, не более, мм.
17,5 (175)
Воздух (точка выпадения росы не выше минус 55 0С)
М27х2
G3/4
М33х2
500х280х560
Общие сведения