Общие данные ССВ

Системы сжатого воздуха предназначены для обеспечения функционирования сооружений в режиме III, а именно: создание подпора воздуха, обеспечения дыхания личного состава сооружений, компенсации изменения барометрического давления.
Назначение:
Системы сжатого воздуха применимы для установки на опасных производствах, объектах гражданской обороны, АЭС, стартовых комплексах, химических и нефтеперегонных заводах и обеспечивают защиту персонала от воздействия при пожарах и авариях, когда возможно загрязнение воздуха вредными веществами.
Системы сжатого воздуха состоят из унифицированных блоков, обеспечивающих:
— прием компримированного воздуха от передвижных (штатных) компрессорных станций;
— хранение необходимого запаса сжатого воздуха;
— обеспечение контроля качества хранимого сжатого воздуха;
— выдачу сжатого воздуха потребителям с заданной интенсивностью, требуемого давления;
Системы включают в себя следующие блоки и комплекты:
— приемная колонка (КП-400, КП-200, КП-150), предназначенная для приема компримированного воздуха от передвижной (штатной) компрессорной станции УКС;
— щит баллонов (ЩБ-200, ЩБ-150, УЩБ), предназначеный для заполнения рампы баллонов (секции баллонов), выдачи сжатого воздуха от рампы баллонов на щит редуцирования (ЩР-200/500, ЩР-150/500, ЩР 250/2.5, С315.041−02), контроля качественных параметров хранимого в рампе баллонов сжатого воздуха за счет подключения контрольного гигрометра (система индикации влажности), контроля давления сжатого воздуха, хранимого в рампе баллонов;
— рампа баллонов (секции баллонов) (РБ, СБ), предназначенная для хранения расчетного (потребного) запаса сжатого воздуха;
— щит редуцирования (ЩР-200/500, ЩР-150/500, ЩР 250/2.5, С315.041−02), предназначенный для понижения давления хранимого в рампе баллонов сжатого воздуха до 0,245−0,6 МПа (2,5−6 кгс/см2) и его выдачи потребителям с заданной интенсивностью;
— комплект контрольного гигрометра (система индикации влажности);
— комплект монтажных частей и деталей;
— комплект сопроводительной и эксплуатационной документации.
Схемы принципиальные пневматические системы сжатого воздуха
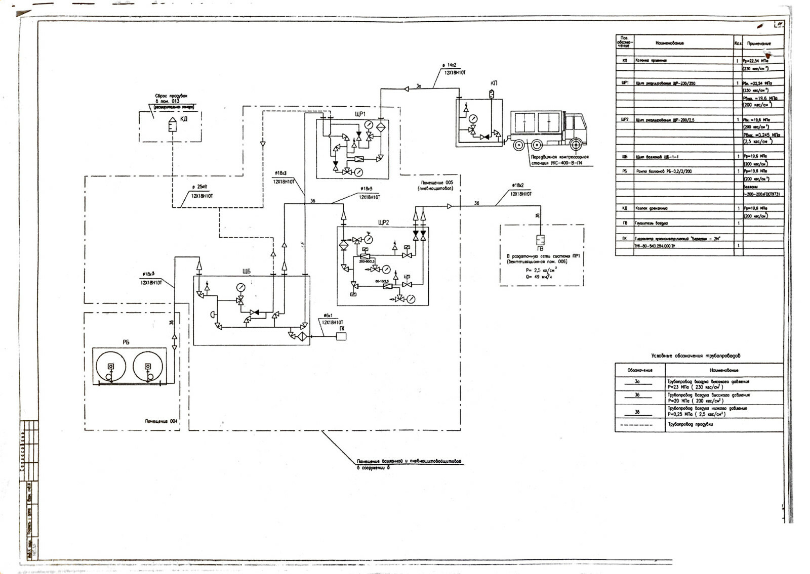
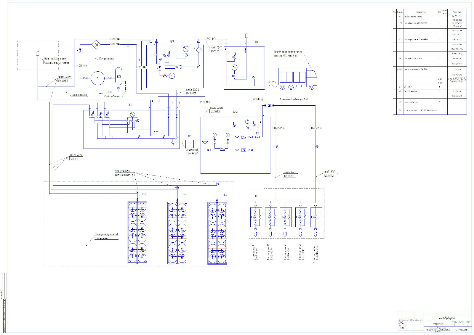
Колонка приемная предназначена для приема сжатого воздуха и отвода его к заправочному щиту. Колонка состоит из коллектора с предохранительным клапаном (ПК1), входным и выходным патрубками. Коллектор установлен в металлическом каркасе с дверцей, к которой прикреплена табличка с пневмосхемой. Колонка крепится на болтах, которые привариваются к закладным. Предохранительный клапан — КП-6/250 (Ду=6мм, Рр=25МПа). Материал патрубков — Сталь 20 ГОСТ 1050–75.
Технические характеристики
Колонка приемная КП-400 (КП-200, КП-150).
Колонка приемная, состоит из металлической рамы с элементами настенного крепления, приемного штуцера, обеспечивающего подключение рукава высокого давления (трубопровода высокого давления) от передвижной (штатной) компрессорной станции, штуцера выдачи сжатого воздуха на щит редуцирования высокого давления (щит баллонов, щит управления), запорного вентиля, манометра, крана манометрового с дренажем, предохранительного клапана, вентиля сброса избыточного давления из магистрали, соединительного коллектора, дренажного колпака.
Колонка приемная устанавливается у входа в сооружение, в месте удобном для размещения передвижной компрессорной станции.
Щит редуцирования высокого давления ЩР-230/200 (ЩР-400/200).
Щит редуцирования ЩР-230/200 состоит из металлической рамы с элементами настенного крепления, приемного штуцера для подключения к магистрали от колонки приемной, выходного штуцера для подключения магистрали к щиту баллонов (ЩБ, УЩБ), соединительного коллектора, запорных и дренажных вентилей, газового редуктора (понижение давления до 19,6 МПа, манометров, кранов манометровых с дренажем, предохранительного клапана, обратных клапанов, фильтра, штуцера для подключения к магистрали сброса продувок.
Щит редуцирования ЩР-230/200 размещается в помещении «Пневмощитовой» сооружения.
Щит баллонов ЩБ-200, ЩБ-150 (УЩБ-3М1, УЩБ-2М1).
Щит баллонов состоит из металлической рамы с элементами настенного крепления, штуцера приема сжатого воздуха от колонки приемной КП, либо от щита редуцирования ЩР-230/200, штуцера для подключения секции баллонов СБ (рампы баллонов РБ), штуцера для подключения к щиту редуцирования ЩР-200/2,5 (С315.041−02), штуцера для подключения контрольного гигрометра (станции индикации влажности), штуцера для подключения к магистрали сброса продувок, соединительного коллектора, запорных вентилей, фильтра, манометра, крана манометрового с дренажем, обратных клапанов, предохранительного клапана. Щиты баллонов размещаются в помещениях «Пневмощитовой» сооружения.
Секция баллонов СБ (Рампа баллонов РБ).
Рампа баллонов состоит из металлической рамы (контейнера), с элементами крепления баллонов и соединительного коллектора со щтуцерами, собственно рамы (контейнера) с узлами крепления к строительным конструкциям сооружения (напольное крепление), баллонов сжатого воздуха, отсечного вентиля, предохранительного клапана, манометра и комплектов штуцеров для подключения к щиту баллонов (ЩБ). Соединение баллонов с коллектором выполняется через компенсатор (змеевик). Баллоны оснащаются баллонным вентилем.
Рампы баллонов размещаются в помещениях «Баллонной» сооружения.
Щит редуцирования ЩР 250/2.5 (ЩР-200/500, ЩР-150/500, С315.041−02).
Щит редуцирования состоит из металлической рампы с элементами настенного крепления, штуцера приема сжатого воздуха от щита баллонов ЩБ (щита управления), штуцера выдачи в магистраль потребителю и на глушители воздуха, понижающего редуктора (200/2,5−6), фильтра, запорных вентилей, манометров, манометровых кранов, предохранительного клапана.
Щиты редуцирования размещаются в помещениях «Пневмощитовой» сооружения.
Контрольный гигрометр (Система индикации влажности СИВ-00.100).
Система индикации влажности (СИВ) предназначена для измерения и регистрации влажности не агрессивных газов (сжатого воздуха). Система индикации влажности состоит из металлического рамы (каркаса), к которому крепятся штуцер приемный от щита баллонного ЩБ. К передней панели крепится вентиль входной, блок измерения ИВГ, гигрометр (измерительный преобразователь), вентиль манометровый. На передней панели щита установлен манометр для измерения давления сжатого воздуха на входе в СИВ. СИВ крепится к стене крепежными элементами с помощью 2-х петель на каркасе щита. СИВ размещается в помещениях «Пневмощитовой» сооружения.
Глушитель воздуха УГВ-М.
Глушитель воздуха УГВ-М предназначен для снижения шума и регулирования расхода сжатого воздуха, поступающего в сооружение от щита редуцирования ЩР 250/2.5 (ЩР-200/500, ЩР-150/500, С315.041−02), либо от гребенки раздаточной ГР-16/7−2. Глушитель воздуха размещается в системе вентиляции сооружения (тамбуры, точки выдачи сжатого воздуха, где необходимо создать избыточное давление (подпор).
Колпак дренажный КД-1.
Колпак дренажный предназначен для снижения шума и сброса воздуха высокого давления. Колпак дренажный размещается в помещениях установки колонки приемной КП.
Дополнительные блоки системы сжатого воздуха
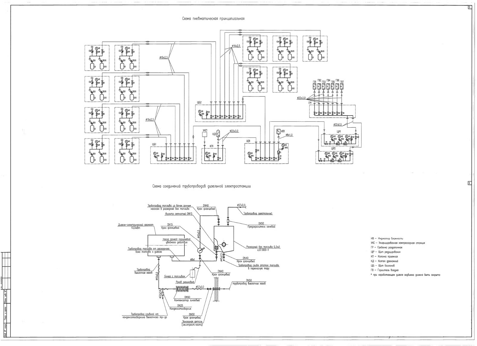
Гребенка раздаточная ГР-16/7−2.
Гребенка раздаточная ГР-16/7−2 предназначена для распределения сжатого воздуха от щитов редуцирования к универсальным глушителям воздуха УГВ-М. Гребенка раздаточная состоит из металлического рамы с элементами настенного крепления, к которой крепятся коллектор, штуцера входные от щитов редуцирования ЩР 250/2.5 (ЩР-200/500, ЩР-150/500, С315.041−02), штуцера выходные к глушителям воздуха УГВ-М. На передней панели установлены запорные краны для включения-отключения от двух до девяти глушителей воздуха УГВ-М. На коллекторе установлены обратные клапана, для предотвращения обратного перетока газа в щиты редуцирования.
Гребенка раздаточная размещается в помещениях «Пневмощитовой» сооружения.
Щит управления ЩУ-150 (ЩУ-200).
Щит управления предназначен для переключения потоков сжатого воздуха: при наполнении, через щит баллонов к рампам баллонов (секциям баллонов) РБ (СБ); при выдаче, к щитам редуцирования ЩР 250/2.5 (ЩР-200/500, ЩР-150/500, С315.041−02); при контроле влажности, на гигрометр (систему индикации влажности). Щит управления состоит из металлической рамы с элементами настенного крепления, к которому крепятся запорные вентили, входные и выходные штуцера для присоединения к трубопроводам. К лицевой панели рамы крепятся манометры с манометровыми кранами, соединенные трубками с соответствующим коллекторам. Выходная магистраль подачи газа на систему индикации влажности имеет выходной запорный вентиль, регулирующий редуктор (0,3−10 МПа). Щит управления устанавливается в систему сжатого воздуха в случае наличия двух и более щитов редуцирования ЩР.
Щит управления размещается в помещениях «Пневмощитовой» сооружения.
Шкаф приборов автоматического подпора воздуха ШП-4/20−1.
Шкаф приборов автоматического подпора воздуха предназначен для обеспечения заданного давления воздуха в помещении. Шкаф автоматического подпора воздуха состоит из металлического рамы с элементами настенного крепления, на который крепятся электромагнитный клапан с отсечными кранами и штуцерами для присоединения к магистральным трубопроводам. К раме также крепятся блок реле и измеритель давления. Шкаф приборов автоматического подпора воздуха размещается в системе вентиляции сооружения (тамбуры, точки выдачи сжатого воздуха, где необходимо создать избыточное давление (подпор).
Фотографии монтажа системы сжатого воздуха