Щит баллонов ЩБ-200, ЩБ-150, УЩБ-3М1, УЩБ-2М1

Обозначение изделия: Щит баллонов ЩБ-200, ЩБ-150, УЩБ-3М1, УЩБ-2М1
Щит баллонов ЩБ-200, ЩБ-150, УЩБ-3М1, УЩБ-2М1 предназначен для распределения сжатого воздуха в рампы баллонов при наполнении, выдачи на щиты редуцирования и контроля качественных параметров хранимого в рампах баллонов сжатого воздуха, за счет подключения системы индикации влажности.
Климатическое исполнение ЩР-230/200, ЩР-400/200 – УХЛ категория 5 ГОСТ 15150 в диапазоне температур окружающего воздуха от -10 С до +35С.
Назначение.
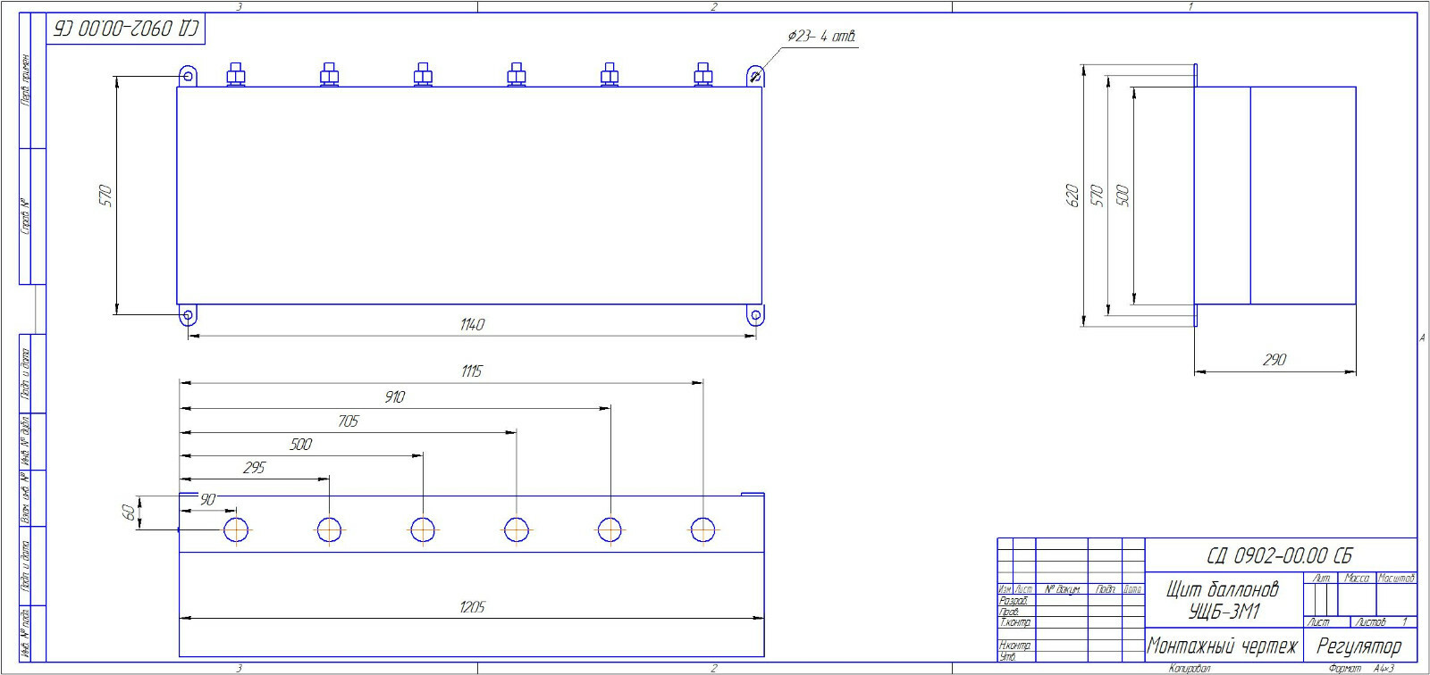
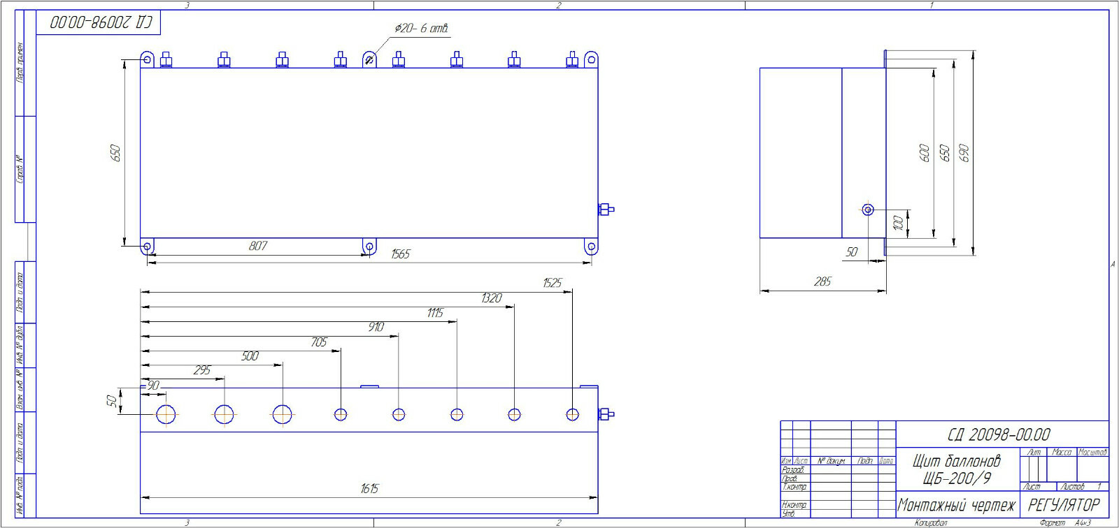
Щит баллонов состоит из металлического рамы (каркаса) с элементами настенного крепежа, к которому крепятся коллектор, штуцера входные, штуцера выходные, штуцера наполнительные. На передней стенке щита установлен манометр для измерения давления воздуха в коллекторе и кран манометровый для включения/отключения манометра. На передней панели установлены также вентили для подключения до девяти секций баллонов. На коллекторе установлен предохранительный клапан, настроенный на необходимое давление срабатывания. При заправке баллонов, сжатый воздух через штуцер входной подается в коллектор. Из коллектора воздух через вентили и соответствующие штуцера поступает в соответствующие трубопроводы и далее к секциям баллонов. При отборе сжатого воздуха из секций баллонов, воздух через штуцера входные и запорные вентили поступает к выходному штуцеру и далее в магистраль. Щит баллонов крепится гайками к стене крепежными элементами с помощью 4 (6) петель на каркасе щита.
Устройство и принцип работы.
В зависимости от исполнения щита баллонов, возможна установка понижающего редуктора для системы индикации влажности (гигрометра), датчиков (сигнализаторов) давления, обратных клапанов, дренажа.
Варианты исполнения:
— ЩБ-200/n*, n - количество подключаемых секций (рамп) баллонов.
— ЩБ-150/n*, n - количество подключаемых секций (рамп) баллонов.
— УЩБ-3М1 - подключение до шести секций (рамп) баллонов.
— УЩБ-2М1 - подключение до четырех секций (рамп) баллонов.
Технические характеристики ЩБ-200, ЩБ-150
Обозначение по чертежу
Максимальное входное давление Рвх.макс МПа (кГс/см2)
Максимальное выходное давление Рвых.макс МПа (кГс/см2)
СД 20092-00.00
20 (200), 15 (150)
20 (200), 15 (150)
Давление срабатывания предохранительного клапана ПК1 Рпр. МПа (кгс/см2)
Рабочая среда
Присоединительные размеры штуцера выдачи на систему индикации влажности
Присоединительные размеры штуцера входного, выходного, наполнительного, сбросного
Габаритные размеры, не более, мм.
Масса, не более, кг.
23 (230), 17,5 (175)
Воздух (точка выпадения росы не выше минус 55 0С)
М16х1,5
в зависимости от исполнения
в зависимости от исполнения
в зависимости от исполнения
Технические характеристики УЩБ-3М1, УЩБ-2М1
Обозначение по чертежу
Максимальное входное давление Рвх.макс МПа (кГс/см2)
Максимальное выходное давление Рвых.макс МПа (кГс/см2)
СД 0902-00.00
20 (200)
20 (200)
Давление срабатывания предохранительного клапана ПК1 Рпр. МПа (кгс/см2)
Рабочая среда
Присоединительные размеры штуцера выдачи на систему индикации влажности
Присоединительные размеры штуцера входного, выходного, наполнительного, сбросного
Габаритные размеры, не более, мм.
Масса, не более, кг.
23 (230)
Воздух (точка выпадения росы не выше минус 55 0С)
М16х1,5
в зависимости от исполнения
в зависимости от исполнения
в зависимости от исполнения
Общие сведения